JUNIE 2904 MEUBELCILINDER

https://besa-sloten.be/web/image/product.template/12474/image_1920?unique=0a73235
42.37 EUR 42.37

51,27 € 51,27 €

42,37 € 42,37 € excl. BTW

Voorraad: 4.00 Stuks
Locatie(s): K/CV-AC8.1

36,22 € Exclusief btw

PRIJS OP AANVRAAG

  • Categorie
  • Montage
  • Materiaal
  • Bediening
  • Diameter Ø (mm)
  • Lengte (mm)

Deze combinatie bestaat niet.

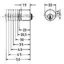
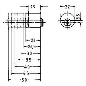
Categorie: Meubelcilinder
Montage: Inbouw
Bediening: Cilindersleutel
Diameter Ø (mm): Ø 22


Artikelnummer: 2904.XX002019
Barcode: 2904.XX002019